19118993192

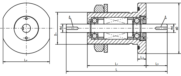
通孔軸磁流體密封件

通孔軸磁流體密封件

2021-12-17 來源:原創(chuàng) 瀏覽量:2168

軸徑

  形   尺   寸

軸承型號

d

D

D1

A(寬×深×長)

L

L1

L2

L3

L4

006

6

0
-0.018

 

47

M30X1.5

2X1.2X12

或扁平面0.5 X12(深X長)

90

56

17

8

41

607

010

10

0
-0.02

 

57

M39X1.5

3X1.8X14

105

65

20

10

50

6001

012

12

0
-0.02

 

63

M45X1.5

4X2.5X16

110

70

20

10

55

6002

016

16

0
-0.02

 

67

M48X1.5

5X3.0X20

125

75

25

10

60

6003

020

20

0
-0.02

 

77

M56X2

6X3.5X25

140

80

30

10

70

6004

025

25

0
-0.02

 

82

M60X2

8X4.0X30

155

85

35

12

75

6005

030

30

0
-0.02

 

90

M68X2

8X4.0X30

160

90

35

12

80

6006

電話咨詢

19118993192

電話咨詢

186-9901-1208

技術咨詢

技術咨詢

技術咨詢

手機網(wǎng)站

手機網(wǎng)站

手機網(wǎng)站

返回頂部